Order Now
Telecom engineer CDR Sample

Career Episode 2 on CDR Sample 2 Telecommunication engineer

Introduction

Time duration
Location
Organization
Project Home Automation (G.S.M based)
Position
Project Supervisor
Project submitted to

This career episode is allied with my project titled “G.S.M grounded Home Automation”. This project was carried out during my Bachelor of Engineering in Electronics & Communication Engineering.

[CE 2.1]

I undertook this project in _______year as part of my undergraduate degree in Electronics & Communication Engineering requirement. I executed this project in a group of three engineers including me.

Background

[CE 2.2]

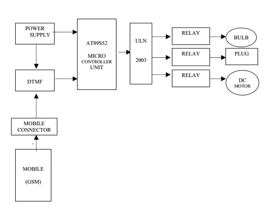
The objective of the undertaking was to build up a framework, which utilizes Mobile innovation that keeps control of the different units of the home apparatuses. For use of apparatuses the new idea has been thought to oversee them remotely by utilizing GSM, which empowers the client to remotely control residential machines. Just by dialing keypad of remote phone, from where we are calling we can perform ON/OFF operation of the utilities. The scopes of machines that can be controlled through tele remote frameworks are many in numbers. Some of them are Lights, Music System or other electrical/electronic machines.

[CE 2.3]

The prime aim of the project was to organize & construct a system which implies G.S.M cellular technology for the control of utilities in home in correspondence with the signal dispatched by the cell phone.

[CE 2.4]

I went through numerous offline & online sources to get information about the G.S.M controlling topologies. I studied the topic in detail in order to execute the project accordingly. I also had numerous meetings with the project supervisor in order to have in depth knowledge and resolve any issues related to the project. I also documented the complete project as per requirements.

The Hierarchy of the project is shown below -

Telecommunication engineer CDR report

Personal Engineering Activity

[CE 2.5]

I defined the basic key components of the project as following

  • Micro-controller Atmel89C52
  • D.T.M.F Controlling IC
  • Mobile-Connector Body
  • Relays
  • DC Motor Circuit
  • The Power-Supply Unit

[CE 2.6]

Methodology

I grounded the entire project on GSM & embedded system. First I established a wireless cell phone to cell phone connection. I used cell phone to make it wireless. I first made the circuit connection with the cell phone and later followed following data flow structure.

  • In order to operate the Tube Light; Press 1 for switching it On & press 9 to switch it OFF. The switching is physically carried out by the help of a relay.

[CE 2.7]

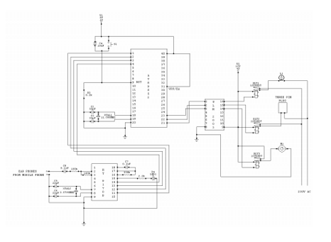
As a lead Engineer I first presented the methodology of the system along with block diagram & schematic diagram of the whole project as shown below -

Telecommunication engineer CDR report Telecommunication engineer CDR report

[CE 2.8]

I designed the complete electronics of the power supply. The power supply was incorporated with a Regulator IC for providing proper DC5V to the system circuit.
The power supply block diagram is shown below -

Telecommunication engineer CDR report

For the purpose of delivering clean 5VDC from I used 7805 Voltage Regulating IC. While testing of the power supply I observed that IC 7805 was not working efficiently beside the installation of heat sink over its package. I checked the soldering side connections with the help of a multi meter. I found that the legs of IC were dry-soldered and were not connected with the circuit. I resolved the issue by re-soldering the IC and thoroughly checked the readings over multi meter. I was able to solve the issue professionally.

[CE 2.9]

I drafted the circuit diagram of the Power Supply as displayed below -

Telecommunication engineer CDR report

This is basically an un-regulated DC power-supply. The bridge rectifier D1 & D4 were implemented. The prime advantage of bridge-rectifier is that the ripple-frequency at the out-put is double as ocompared to the line frequency thus making the filering very easy to accomplish.

[CE 2.10]

I searched a lot to find the most effectual yet cost effective micro-controller. I went for 89C52 micro-controller made by A.T.M.E.L Company.
I chose this micro-controller because of the following features.

  • Easy Compatibility
  • Easy Integration
  • Robust encapsulation
  • Complete static operations
  • 3 Level Memory Locking system
  • 256X8 Internal Random Access Memory
  • Programmable I/O 32 units
  • Fully optimized programmable serial-channel

[CE 2.11]

I used relay for switching (ON/OFF) the house holds. It basically let one circuit to physically switch a later circuit which is basically entirely distinct fron the first one. Relay coils make upsuge voltage spikes upon switching OFF and this spike can esily kill the IC’s soldered on the circuit. In order to prevent this issue I connected a protection-diode IN.4148 around the Relay Coil as shown in below picture.

Telecommunication engineer CDR report

[CE 2.12]

I used D.T.M.F H.T9181B dual-tone frequency-receivers incorporated with digital level decoder & band-split filter. This play the role of power-Off mode & exhibit moder operating methodologies. I implemented super precise switched-capacitor filter in order to split signals of the tone in to low and upsurge group of signals. I designed an onboard dial-tone refusal circuit in order to eradicate the requirement for filteration.

[CE 2.13]

I used Keil Software for the coding of the microcontroller. It’s the best software for all kind of simulations and executions.
Some of the example codes written are given below -

#include

sbit P^2.0=bulb;

sbit P^2.1=fan;

sbit P^2.2=plug; v

oid main()

{

while(1)

{

P3=0xff;

P2=0x00;

if(P3=0xf1)

{

bulb=1;

}

if(P3=0xf2)

{

fan=1;

}

if(P3=0xf3)

{

plug=1;

}

if(P3=0XF4)

{

bulb=0;

}

if(P3=0xf5)

{

fan=0;

}

if(P3=0xf6)

{

plug=0;

}

}

[CE 2.14]

I was also accountable for the feasibility study of the project. I also drafted the reports of the project progress. I passably kept the supervisor informed of all the stages of the project. My project management skills were highly endorsed by the project supervisor.

[CE 2.15]

Summary

I completed the project successfully and practically demonstrated all the aspects of the project. I tested all the functions passably for any errors. I displayed the running feature of the entire project in front of the project supervisor. This project helped me in understanding the GSM system integration for home automation. I became well informed of the Microcontroller operations and its programming scenario. I also went through numerous problem solving practices which eventually enhanced my Engineering skills. Overall the project fairly elevated my management skills.

Top 10 Reasons to choose MYCDRHELP.COM

We hold the apex position in providing services regarding CDR writing for engineers Australia. We are known to have very high success records for consistent team of professional writers having years of experience in the field of CDR preparation. We provide the best and trusted service for CDR writing and reviewing of all kinds of engineering disciplines. We provide services for career episode writing, plagiarism check and removal etc.

  • Each section of the CDR is presented in a coherent form, while taking in account the pre-eminent features.
  • The summary statement for the applied occupation is given special attention, as it is the most proficient aspect of the CDR.
  • Utmost emphasis is laid on the various sections of the CDR, from introduction to Summary, in order to ensure that every segment is presented precisely.
  • Preparation of CDR is done by a comprehensive evaluation of the projects in order to provide details to cater to the requirements by Engineers Australia for Australian immigration Competency Demonstration Report.
  • Technical jargons are avoided and each error is corrected as well as any inadequacy is taken care of within the required time duration for the CDR to be approved by EA.
  • Each section of the CDR is assessed as per the standards laid down by MSA (Migration Skill Assessment Booklet) in order to provide meticulous CDR.
  • MYCDRHELP.COM ensures the client that they will be provided with the best quality CDR, that abides by the Australian immigration standards framed by Engineers Australia.
  • The qualified connoisseurs apply an analytical process so that the achievements of the clients are in accordance with their desired position and educational lineup.
  • Appropriate Australian English is used by the professional writers to write the content of the CDR to make it affluent.
  • It is made sure by the professionals of MYCDRHELP.COM that CDR complies with the Australian standards and consists of the desired characteristics of the required profession of the client.

Should you need any further information, please do not hesitate to contact us.

contact@mycdrhelp.com

Contact: +61-4-8885-8110

WhatsApp: +61-4-8885-8110

(Australia, USA, UK, UAE, Singapore, New Zealand)